УНРС ДМЗ - зарождение технологических и конструктивных аспектов непрерывной разливки
Дюдкин Д.А.
ДонНТУ
Непрерывная разливка стали началась в Украине 30 июня 1960 года. Это был беспрецедентный в мировой металлургии ввод в эксплуатацию УНРС (в последствии МНЛЗ) для разливки стали из 145 тонного стальковша. Установка четырехручьевая вертикального типа для отливки слябов сечением 150-200x700-1200мм, металлургическая длина 11м, технологическая высота 28м.
Автор этих строк участвовал в строительстве, монтаже оборудования, запуске и освоении УНРС. В то время он был производственным мастером и тоже в июне ему исполнилось 25 лет. Сейчас, 50 лет спустя представляет интерес окинуть взором начальные этапы становления этого эффективного направления в мировой металлургии и развития выработанных решений в последствии. А сейчас несколько слов о том «как это было».
Работы по конструктивному оформлению промышленного образца осуществления способа непрерывной разливки стали в СССР начались, можно сказать, в 1947 году в ЦНИИЧермете имени И. П. Бардина. В этот период начала действовать экспериментальная вертикальная установка полу непрерывной разливки стали ПН-1 на опытном заводе этого института[1]. Последующие 10 лет исследований проведенных на полупромышленных УНРС Новотульского металлургического завода и завода «Красное Сормово» позволили сформировать технологическое задание и принять революционное решение сконструировать и изготовить УНРС для промышленной экплуaтации.
Успехи этого этапа, определившие дальнейшие развитие процесса, были достигнуты благодаря самоотверженной деятельности первопроходцев в этом деле, выдающихся металлургов, - академика И.П. Бардина, Бойченко М.С., Рутеса В.С., Фульмахта В.В, Евтеева Д.П., Лейтеса В.А, Генкана В.Я. и др.
На Коллегии Министерства черной металлургии в СССР в конце 1957 года, проведенной по инициативе и под руководством И.П. Бардина, с участием сотрудников ОНРС ЦНИИЧермета и ведущих специалистов ряда металлургических предприятий была принята конкретная программа сооружения УНРС в стране. Первым объектом ввода в эксплуатацию по этой программе значился – 1959-1960г.г. – мартеновский цех Донецкого метзавода[1].
В соответствии с этими событиями декан металлургического факультета и заведующий кафедрой «Металлургия стали» Донецкого политехнического института М.Н. Стрелец в 1956-1957г.г. определяет группу студентов для командирования их в г. Горький, на завод «Красное Сормово», для прохождения преддипломной практики. Это была непростая задача – завод по тем временам был «закрытого типа» с жесткими ограничениями на посещения. Тем не менее, М.Н. Стрельцу удалось решить эти проблемы и группа студентов в составе Кондратюк А.М., Дюдкин Д.А., Кондратюк Ю.М., Стефанов И.А., Ретивых А.П., Михеев Н.И., Евтушенко В.Б. отправились на завод «Красное Сормово» изучать непрерывную разливку.
УНРС на заводе «Красное Сормово», пущенная в мае 1955г. вертикальная, двухручьевая, подземного расположения, со сборными водоохлаждаемыми неподвижными кристаллизаторами. Предназначена для разливки стали из 50т. ковша для получения унифицированной заготовки 175x420мм., длинной 1920мм. Производительность 45-55тонн стали в час. По зарубежной литературе на тот период максимальный вес разлива металла составлял 32т. [1].
Студенты ДПИ, работая на заводе, не только изучали процессы непрерывной разливки, но уже тогда начали исследовательскую деятельность – была выполнена статистическая обработка параметров НРС и показателей качества метала более тысячи плавок. Был построен целый ряд зависимостей, на базе которых заводчане внесли уточнения в технологические инструкции по совершенствованию процесса и опубликовали эти данные. Об этом свидетельствует приказ директора завода с выражением благодарности студентам ДПИ за проведенную работу.
По возвращении в ДПИ наши студенты успешно защитили дипломные работы по выбранной теме. Состоялся первый в СССР выпуск специалистов по непрерывной разливке стали. По настоянию директора ДМЗ Ектова И.М. молодые инженеры – металлурги Кондратюк А.М., Дюдкин Д.А., Кондратюк Ю.М., Стефанов И.А., Евтушенко В.Б. были направлены на работу в мартеновский цех. Ретивых А.П. уехал в Крым, он в последствии стал Зав. отделом тяжелой промышленности Обкома партии, а Михеев Н.И. направился в г. Новокузнецк, в последствии стал директором УралГИПРОМЕЗА.
В 1957г. Харьковский институт ГИПРОСТАЛЬполучил задание на проектирование УНРС для Донецкого метзавода. Изготовителем был определен Южно-Уральский машиностроительный завод (г. Орск). 15 сентября 1958г. в мартеновский цех пришли строители «Донецкметаллургстроя». Началась кропотливая работа по строительству и монтажу оборудования базового агрегата НРС для большой металлургии. Не все шло гладко. Приходилось на ходу корректировать отдельные элементы проекта, выдавать новые решения. От ГИПРОСТАЛИ не считаясь со временем, постоянно находились на объекте начальник отдела Колупаев Н.В., главный технолог Векке А.И. – самоотверженные специалисты, оперативно принимающие решения. Общее руководство строительства осуществлялось директором завода Ектовым И.М. и главным инженером Глазковым П.Г. Начальником УНРС был назначен Мурзов К.П. – хороший организатор и требовательный руководитель. Кондратюк А.М., который на 9 лет был старше сокурсников, стал старшим мастером. Через некоторое время перешел в ЦЗЛ зав лабораторией НРС. Дюдкин Д А был назначен мастером , а позже старшим мастером и начальником УНРС. Стефанов И А – мастером, вскоре уехал в Комсомольск на Амуре пускать следующюю УНРС. Кондратюк Ю М вскоре перешел в Донниичермет.
Холодное опробование работы механизмов началось 18 июня 1960 г, а 30 июня в 23 часа 10 мин началась первая непрерывная разливка 145 тонного ковша , которая успешно завершилась. УНРС на Донецком метзаводе вступила в строй.
Следует отметить , что наработанных к тому времени технологических и конструктивных решений было явно недостаточно для обеспечения стабильной технологии получения качественной заготовки [2,3].
Серьезным препятствием на пути промышленного освоения процесса непрерывного литья стал вопрос охлаждения и окисления мениска металла в кристаллизаторе. Образование корок на поверхности металла и завороты их в тело слитка приводили к грубым дефектам непрерывнолитой заготовки и прорывам.
Одним из основных дефектов были продольные и поперечные трещины, залегающие на глубину 50-60мм. Брак по продольным трещинам, несмотря на большой объем зачистки, превышал 4-6 % даже при отливке сравнительно небольших сечений 175х700мм и 200х800мм и низких скоростях вытягивания 0,55 и 0,45 м/мин Наличие этого дефекта, вызывающего кроме отбраковки, прорывы жидкого металла под кристаллизатором ,являлось серьезным препятствием к увеличению сечений отливаемых заготовок, повышению скорости разливки, расширению сортамента металла разливаемого на УНРС.
Поэтому пуск крупной промышленной установки ознаменовал собой новый этап освоения процесса непрерывной разливки , включая технологию и конструктивные особенности. И здесь инициатива в постановке задачи, проведение исследований, выбор направления решения проблем, принадлежала все тем же молодым инженерам, выпускникам ДПИ Для достижения поставленных целей привлекались специалисты ряда институтов.
Проблему защиты поверхности металла в кристаллизаторе удалось решить самостоятельно путем подачи на мениск металла аморфного графита определенной зольности [4]. Решение получено впервые. Потери тепла при этом снизились в 10-25 раз. Даже при небольших его расходах (100-200г/т) на зеркале металла отсутствовали пленки и корки. В 4,2 раза снизилось количество шлаковых включений в металле, устранились завороты корок, подкорковые пузыри и прорывы по этой причине. Этот способ послужил основой для развития важного направления – изыскания составов шлакообразующих смесей (ШОС) для различных параметров процесса и марок стали.
В ходе исследований было установлено, что изменение толщины слоя ШОС в пределах 0,2-1,2мм приводит к изменению теплоотдачи на 25 %, возможны разрывы слоя флюса и локальное изменение тепловых условий формирования слитка. Отклонение от заданного регламента приводило к появлению продольных трещин и газовых пузырей. Поэтому был разработан и внедрен простой надежный способ и устройство, обеспечивающие заданный регламент дозированной подачи флюса в кристаллизатор [5].
В первые годы работы, когда разливались единичные плавки на четыре ручья, был разработан способ уменьшения головной обрези заготовки, который гарантированно позволял уменьшить глубину залегания усадочной раковины в 2-4 раза [6].
Проблема устранения продольных и поперечных трещин и прорывов по этой причине была решена совместно с Институтом проблем литья АН Украины. Работу от института вели академик Ефимов В.А. и Яковше Р.Я. Была разработана и опробована серия кристаллизаторов с нанесением на рабочую поверхность рифлений оптимального профиля и конусности [7]. На рис. 1 приведены разработанный и используемый профиль рифления кристаллизатора для широких слябов небольшой толщины.
Использование рифленых кристаллизаторов позволило полностью решить проблему трещинообразования и прорывов металла на ДМЗ при отливке сечений 150x1000-1200мм на скорости до 1,5 м/мин сталей с содержанием серы в пределах 0,02-0,04 %, углерода 0,08-0,23 %, проявляющих наибольшую склонность к трещинообразованию.

Рис 1. Профиль рифления кристаллизатора для отливки слябов шириной 1000- 2000 мм
Полученные результаты послужили основой для использования таких кристаллизаторов и на других заводах, в частности на НЛМК. Однако, проявившаяся уже в 70-х годах тенденция к переходу на непрерывную разливку с радиальным и криволинейным профилем технологической оси, остановило внедрение рифленых кристаллизаторов. При этом на вертикальной МНЛЗ Донецкого метзавода эти кристаллизаторы используются и в настоящее время, гарантированно обеспечивая высокое качество заготовки в указанных жестких условиях.
Следует отметить, что на ДМЗ впервые были разработаны и опробованы в промышленных условиях кристаллизаторы с переменной конусностью узких граней [2,3].
Обширные исследовательские работы по совершенствованию конструкции технологических узлов проводились совместно с кафедрой металлургического оборудования заводов ДПИ под руководством (Левина М.З. и Пироженко Н.Г.). Это – совершенствование механизма качания кристаллизатора, конструкции поддерживающих устройств и режима вторичного охлаждения заготовки с целью повышения качества внутренней структуры. При этом проводились исследования выпучивания оболочки между опорными роликами и силового взаимодействия между роликами и слитком. Исследовались нагрузки на тянущую клеть при увеличении скорости разливки для определения оптимального режима охлаждения. Разработаны, изготовлены и внедрены новые конструкции поддерживающих устройств и новые режимы охлаждения, обеспечивающие высокое качество внутренней структуры [2,3].
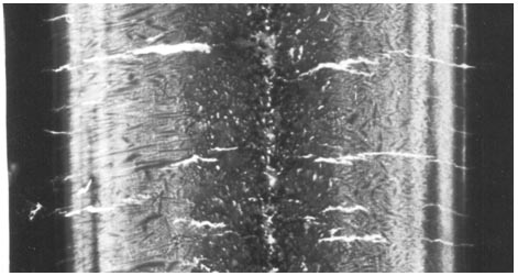
На рис. 2 показано обильное трещинообразование при несоответствии режима охлаждения скорости движения заготовки.
Кстати, в то время проводились весьма интересные исследования с применением радиоактивных изотопов совместно с ПГТУ (Скребцов А.М.). Было получено ряд результатов, которые другими методами исследования получить невозможно. Об этом в отдельной статье этого сборника.

Рис.2. Фрагмент радиограммы продольного темплета заготовки 0,15x1,2м2 при первой пробе увеличения скорости до 1,4м/мин
Совместно с Киевским институтом автоматики (Сорокин Л.И., Кордун Н.И.) решалась проблема создания автоматической системы управления расходом и уровнем металла в кристаллизаторе.Подход к решении задачи был следующий.
Истинная скорость непрерывной разливки в значительной степени зависит от колебаний уровня металла в кристаллизаторе и определяется выражением
,
где Vв — скорость вытягивания заготовки, м/мин;
— изменение уровня металла в кристаллизаторе.
При ручном управлении уровнем металла всегда существует опасность (при падении по каким-либо причинам уровня металла) быстрого наполнения кристаллизатора при полностью открытом стопоре. Скорость подъема уровня металла при этом может в 1,5-2 раза превышать скорость вытягивания заготовки, предусмотренную технологией. Вместе с тем именно истинная скорость разливки определяет величину теплоотвода при заданном сечении и высоте кристаллизатора, уровень термических напряжений в формирующейся оболочке слитка, толщину затвердевающей корки на выходе из кристаллизатора и в начале зоны вторичного охлаждения.
Поэтому уже на первых этапах освоения процесса возникла необходимость создания автоматической системы управления расходом и уровнем металла в кристаллизаторе с целью стабилизации условий формирования заготовки. Задача стабилизации уровня могла быть решена либо изменением расхода металла путем воздействия на стопор промежуточного ковша, либо организацией относительно постоянного расхода металла при полностью открытом стопоре и незначительным подрегулированием скорости вытягивания путем изменения скорости вращения валков тянущего устройства.
Первая система не получила развития из-за неудовлетворительного состояния в то время стопорных устройств. Вторая системы была задействована, что привело к следующим результатам:
Параметр |
Ручное управление |
Автоматическое управление |
Уровень металла в промежуточном ковше, мм |
±60 |
±20 |
Скорость разливки, м/мин |
±0,1 |
±0,05 |
Изменение уровня металла в кристаллизаторе, мм |
±80 |
±10 |
Δt воды в кристаллизаторе, оС |
±1,3 |
±0,15 |
В комплексе с другими решениями эта система обеспечивала снижение суммарного брака слябов и листов до уровня, не превышающего 0,05-0,08 %. Впоследствии была также разработана математическая модель управления вторичным охлаждением, основанная на структурной и параметрической идентификации приближенной модели [2,3].
С ДонНИИЧерметом (Комаров А.А., Онопченко В.М.) приоритетно проводились исследования по поиску способа снятия теплоты перегрева металла на участке между промковшом и кристаллизатором. При этом образующаяся на охлаждаемой поверхности ("промежуточный кристаллизатор") затвердевающая сталь оседает на дно жидкой лунки формирующейся заготовки, ум6еньшая глубину жидкой фазы и снижая ликвацию в осевой зоне [2]. К этой проблеме проявляется интерес и в настоящее время.
Запомнилась, можно сказать, целая эпопея по освоению непрерывной разливки кипящей стали 05, 08 кп для глубокой вытяжки по специальному заданию. Эту работу вел ОНРС ЦНИИЧермета в полном составе сначала под руководством Ицковича Г.М, а затем и директора института И.Н. Голикова.
Сложность разливки этой стали заключалась в том, что из-за переокисленности металла, жидкая часть формирующегося слитка могла резко оседать, образуя своего рода "голенища" из затвердевшей оболочки на всю длину кристаллизатора, а затем также резко подниматься. В конечном итоге из всего массива отлитых плавок комплексно сформировали одну плавку удовлетворительного качества для показа зарубежным специалистам.
И еще один, весьма важный вопрос. В начале 70-х годов прошлого столетия, когда непрерывная разливка уже использовалась во многих странах, на базе МНЛЗ ДМЗ впервые теоретически и практически была доказана целесообразность уменьшения толщины отливаемой слябовой заготовки при увеличении скорости разливки в пределах существующей металлургической длины (10,5 м). На МНЛЗ были установлены на всех ручьях сечения 150x1000-1200 мм. Это минимально и максимально возможная толщина и ширина заготовки по конструкции этой машины. После соответствующей отработки технологии была достигнута максимальная скорость разливки 1,45-1,5 м/мин при обеспечении высокого качества металла. Такая скорость непрерывной разливки для того времени была своего рода прорывом — она более чем в 2 раза превышала скорость на традиционных слябовых МНЛЗ и остается и для настоящего времени хорошим показателем.
Но не менее важным оказалось доказательство, что при уменьшении толщины отливаемой заготовки на существующей конструкции МНЛЗ, т. е. при неизменной металлургической длине и равнозначной ширине слябовой заготовки, можно существенно повысить производительность агрегата. В данном случае толщина сляба была уменьшена с 200 до 150 мм, т. е. в п = 1,33 раза. При этом время затвердевания tзатв уменьшилось в 2 раз, что позволило увеличить скорость разливки в пределах существующей металлургической длины также в 2 раз. Производительность в результате увеличивается в п раз, т. е. Р2 = пР1. Что и было достигнуто.
Из приведенного следует, что для вновь строящихся МНЛЗ заданной производительности уменьшение толщины плоской заготовки в п раз при сохранении ее ширины, уменьшает металлургическую длину в п2 раз, и, соответственно, затраты на ее сооружение. При этом уменьшение глубины жидкой фазы способствует снижению металлоемкости агрегата и повышению качества непрерывнолитой заготовки.
Длительная работа при указанных технологических параметрах позволила определить основные принципы развития процесса непрерывной разливки стали: уменьшение толщины отливаемой заготовки при увеличении скорости разливки и сокращении глубины жидкой фазы. Это обеспечивает конструктивное упрощение агрегата (снижение металлоемкости), достижение заданной производительности при улучшении качества металла и в целом сокращение производственного цикла. Именно на этой основе получило развитие направление непрерывной разливки с получением тонких слябов и слябов средней толщины.
К изложенному необходимо добавить, что истоки серийной разливки тоже находятся на ДМЗ. Здесь в 1961 г. впервые была осуществлена разливка способом "плавка на плавку" [8].
Комплекс разработанных технологических решений позволил в начале 70-х годов провести капитальный ремонт УНРС с модернизацией оборудования, что обеспечило стабильную разливку стали широкого марочного сортамента, в том числе с содержанием "С" в пределах 0,08…0,23% и "S" в пределах 0,02…0,04%, на скорости 1,45…1,5м/мин в заготовки 150x1000=1200мм, при неизменной металлургической длине 10,5м, практически без дефектов [2]. Эти достижения и сейчас являются хорошими показателями.
Таким образом, при освоении Установки непрерывной разливки стали на Донецком метзаводе был разработан и использован комплекс методов исследования для совершенствования конструктивных решений и технологических аспектов, обеспечивающих требуемое качество метала при увеличении скорости разливки, производительности и расширения марочного сортамента разливаемых сталей. Этот комплекс методов исследования используется и в настоящее время.
Вполне естественно, что многие решения при освоении установки были получены "впервые". За первые 10…14 лет, во всяком случае, с участием автора настоящей статьи, было получено более 40 авторских свидетельств на изобретения и опубликовано порядка 45 статей в ведущих научно-технических журналах.
В этой связи вспоминается следующий эпизод. В середине 60-х годов ряд заявок на изобретения "зависли" во ВНИИГПЭ без ответа. Учитывая, что на УНРС очень часто присутствовали иностранные представители для ознакомления – практически все развитые страны, мы направили письмо Председателю народного (партийного) контроля СССР Пельше с просьбой о содействии. Буквально через 10 дней на заводе появился зав. отделом Института патентной экспертизы Васильев Е.И. и в течение недели были согласованы формулы изобретений и получены положительные решения по ряду наших заявок.
О результативной работе молодых инженеров свидетельствует и тот факт, что к концу 60-х годов Дюдкин Д.А., Кондратюк А.М., Осинов В.Г. впервые на заводе защитили кандидатские диссертации.
В 1974-1975 г.г. автором, уже заместителем директора по научной работе ДонНИИЧермет на базе своих знаний была организована лаборатория непрерывной разливки стали.
В заключении можно сказать, что в ходе освоения УНРС на Донецком метзаводе была создана технологическая и конструкционная база для развития и внедрения этого эффективного способа в металлургии.
Библиографический список:
1. 60 лет непрерывной разливки стали в России. / Сб. статей под ред. д.т.н., проф. Шахпазова Е.Х. // М.: Интерконтакт Наука, 2007, 512 с.
2. Дюдкин Д.А. Качество непрерывнолитой заготовки. – Киев: Тэхника. 1988. – 253 с.
3. Дюдкин Д.А., Кисиленко В.В., Смирнов А.Н. Производство стали. Том 4. Непрерывная разливка металла. – М.: Теплотехник. 2009. – 528с.
4. А.с. 273042. Способ непрерывной разливки стали. 1970. Приоритет от 1968 г.
5. А.с. 262330. Способ дозирования подачи сыпучих материалов. 1969. Приоритет от 1967 г.
6.А.с. 266158. Кристаллизатор для непрерывной разливки металла и сплавов. 1969. Приоритет от 1967 г.
7. А.с. 203166. Способ уменьшения головной обрези слитка. 1967. Приоритет от 1965 г.
8. Дружинин И.И., Григорьев Ф.И., Осипов В.Г. Разливка 260 т стали на УНРС без перерыва струи металла // Металлург. 1962. №7. с.22-24.
© Дюдкин Д.А., 2010