Исследование условий формирования стабилизированного пузырькового режима течения газа при донной продувке жидкой стали в промежуточном ковше МНЛЗ
Гончар Б.С., Диюк Е.Ф., ФТИМС НАН Украины
Исаев О.Б., Кислица В.В., ММК «Азовсталь»
Белоусов В.В., Комаров В.Ф. ДонНУ
Продувка аргоном жидкого металла в промежуточном ковше МНЛЗ является эффективным средством удаления неметаллических включений из жидкой стали. Фурма специальной конструкции устанавливается в донной части ковша перпендикулярно его главной оси. Предполагается, что газовые потоки в виде совокупности газовых пузырей, выполняя функцию газовой завесы, являются транспортирующим средством жидкого металла в зону раздела «металл-шлак», где и осуществляется процесс ассимиляции неметаллических включений жидким шлаком. При этом необходимо обеспечить такие размеры пузырьков аргона, которые не будут задерживаться на границе «металл-шлак» [1,2,3].
Для расчета максимального радиуса пузырька, способного задерживаться на границе раздела, используется формула:

Расчеты, проведенные по формуле (1) и приведенные в [4], показывают, что пузырьки газа диаметром до 10 мм не обладают достаточной подъемной силой для совершения работы перехода через поверхность раздела «металл-шлак», могут задерживаться на этой границе, вследствие чего может образоваться прослойка инертного газа, которая может оказывать влияние на протекание физико-химических реакций, обуславливающих удаление неметаллических включений из жидкой стали.
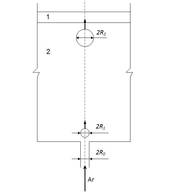
Рассмотрим схему движения газового пузырька от момента его зарождения до удаления через слой шлака (рис. 1). При этом предполагается, что температура газового пузырька в момент его отрыва и на выходе из слоя шлака, составляющая, соответственно, 300 К и 1800 К, и абсолютное давление равное величине 1,64 кг/см2 (сумма атмосферного давления и давления столба жидкого металла).
Запишем уравнение газового состояния для двух указанных положений пузырька [5]:

После полученных преобразований получим

Из соотношения (3) получим формулу для определения радиуса пузырька в момент его отрыва:

Расчеты показывают, что для диаметра пузырька в момент прохож-дения через слой шлака D2 = 2R2, равного 10-11 мм, диаметр пузырька в момент отрыва D1 = 2R1 составляет 4,7-5,2 мм.
В процессе образования и роста газового пузырька на него действуют подъемная сила и конвективные токи, стремящиеся его оторвать от отверстия канала фурмы. Этому препятствуют силы поверхностного натяжения. С учетом сказанного можно записать [6]

Решая уравнение (6), можно получить такое значение диаметра подводящего канала фурмы, при котором пузырьки вводимого газа гарантированно будут проходить через слой покровного шлака.

Рис. 1. Схема для расчета диаметра (радиуса) одиночного канала для подвода газа: 1 – шлак; 2 – металл
Определение динамических характеристик истечения газовых струй проводили методами физического моделирования на «холодных» моделях. Систему «жидкий металл-аргон» имитировали с помощью воды и воздуха. Геометрический масштаб модели ql, был равен 3, т.е. все геометрические размеры натуры на модели были уменьшены в 3 раза. В процессе моделирования измеряли расход газа через одиночный канал Qг и давление газа в ресивере, а также методами фоторегистрации фиксировали особенности формирования газовой струи в жидкости и на ее поверхности.
На рис. 2 показана зависимость расхода газовой фазы через одиночный канал фурмы Qг при изменении величины давления газа Р в ресивере. Следует отметить, что значение Р является интегральной характеристикой, так как она включает в себя противодавление столба жидкости в модели, местные потери давления в местах соединений и потери давления по длине газовой магистрали. Измерения проводились в интервале изменения величины Р от 5 до 10 кПа с шагом 1 кПа. Для такого изменения величины давления интервал изменения величины расхода Qг через одиночное отверстие составил (8-18) х 106 м3/с. Нижние пределы изменения величин Р и Qг, равные, соответственно, 5 кПа и 8х106 м3/с являются нижними пределами стабильного истечения газовой фазы из одиночного канала, когда в подводящий канал не проникает жидкая фаза.
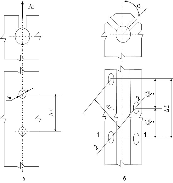
Для определения эффективных технологических параметров продувочных устройств методами физического моделирования решали внутреннюю задачу взаимодействия газовой струи, истекающей в жидкость. В качестве конструктивных параметров рассматривали элементы фурмы с вертикальными каналами (рис.3а), расположенными на расстоянии
друг от друга, и пространственно ориентированными каналами (рис. 3б). Во втором случае (двухрядное расположение отверстий по длине фурмы) близлежащие каналы каждого ряда могут располагаться в одной плоскости «1-1» или со сдвигом на величину
(плоскость «2-2»).
На рис. 4 показаны особенности формирования газожидкостного потока при вертикальном подводе газовой фазы под затопленный уровень в зависимости от расхода газа Qг или давления в ресивере Р. В месте входа в жидкость газовая фаза образует пузырьки, которые, отрываясь от входного отверстия канала фурмы, формируют компактную зону пузырьков воздуха в виде факела. Высота этой зоны колеблется от значения (0,20-0,25) Н для 1-2 уровней давления до (0,20-0,45) Н для 5-6 уровней давления.
Следовательно, можно сделать вывод, что эффективное газо-жидкостное пузырьковое течение имеет место в верхней части жидкой среды. Полученные данные также позволяют установить, что при 1-2 уровне давления Р или расхода Qг, колебание поверхности жидкой фазы минимально.

Рис. 2. Зависимость величины расхода воздуха Qг, истекающего из одиночного отверстия в воду, от величины давления Р в ресивере (моделирование)

Рис. 3. Конструктивные особенности элемента фурмы с вертикальными (а) и пространственно ориентированными (б) каналами 1–1 - каналы расположены в одной плоскости; 2–2 – вертикальные сечения каналов смещены на расстояние
.
Следующая серия экспериментов была посвящена определению оп-тимального расстояния
между продольными осями двух рядом расположенных каналов для подвода газа. На рис. 5 показаны особенности взаимодействия двух газовых струй в зависимости от величины
. Для относительно малого расстояния
, равного 10d0, наблюдается слияние газовых потоков в один, вследствие чего условия их распада затрудняются. Увеличение расстояния
до 20-40d0 уменьшает степень взаимного влияния газовых струй на процессы распада. При этом следует отметить, что при
больше 40d0 взаимодействие газовых потоков практически не наблюдается.

Рис. 4. Особенности формирования газожидкостного течения (на мо-дели) при вертикальном подводе воздуха в зависимости от величины давления в ресивере.
Современные представления о распространении газовых струй в жидкости показывают, что существование факела струи (или «струйное» истечение), его протяженности и последующего распада на определенные газовые объемы различной величины (в предельном описании – пузырьки газа) зависит от величины вертикальной скорости V0 в начальном сечении. То есть, чем меньше значение V0, тем меньше протяженность факела струи, тем на больший объем жидкости воздействуют пузырьки газа [7]. Уменьшение вертикальной составляющей скорости V0 может быть достигнуто при условии, когда газовая струя направлена под некоторым углом a к вертикали.
На рис.6 приведены фотографии распространения истекающей в жидкость газовой струи, направленной под углом 30о - 60о к вертикали. По данным, представленным на фотографиях, можно констатировать отсутствие факела и распад газовой струи на отдельное скопление пузырьков при всех исследуемых углах ввода газа.

Рис. 5. Особенности истечения двух газовых струй в зависимости от расстояния между вертикальными каналами. Расстояние между каналами: 1 – 10d0; 2 – 20d0; 3 – 30d0; 4 – 40d0. d0 – диаметр выходного сечения канала.
При расположении соответствующих отверстий каждого ряда в одной вертикальной продольной плоскости взаимодействия двух газовых струй при углах ввода 45о и 60о не наблюдается (рис. 7а). Если же отверстия смещены одно относительно другого на величину
, то взаимодействие соответствующих газовых струй практически отсутствует при всех значениях исследованных углов (рис. 7б).
Для косвенной оценки взаимодействия газовой фазы с жидкостью провели специальные эксперименты по вводу газовой струи в фиксированном временном интервале длительностью 0,2 с в режиме подачи газа. Проведена видеосъемка зарождения и движения газовой фазы в жидкости при вертикальном подводе и под углом 45о при прочих равных условиях (рис. 8). Установлено, что скорость перемещения факела вертикальной газовой струи на модели составляет 0,7 м/с, а наклонной – 0,35-0,40 м/с. Снижение скорости вертикального движения газового факела во втором случае можно объяснить большим объемом жидкости, вовлекаемой в газо-жидкостное течение. Проведенные эксперименты наглядно показывают преимущества ввода газовой струи под углом к вертикали, так как в этом случае обеспечивается более эффективное формирование пузырькового режима течения.
Таким образом, проведенные исследования дают возможность установить все необходимые конструктивные и режимные параметры для разработки специальной конструкции фурмы и режимов продувки стали аргоном при ее рафинировании в промежуточном ковше в процессе разливки на МНЛЗ [8].
Применение разработанной технологии рафинирования металла в промежуточном ковше МНЛЗ с использованием фурмы новой конструкции позволило уменьшить общую загрязненность литого металла неметаллическими включениями в 2 раза и практически обеспечить полное удаление включений более 30 мкм.

Рис. 6. Распространение газовой струи в жидкости, направленной под углом a к вертикали: 1 - 300; 2 - 450; 3 - 600

Рис. 7. Истечение двух газовых струй в жидкость, каждая из которых направлена под углом a к вертикали: 1 - 300; 2 - 450; 3 - 600. Взаимное расположение каналов, формирующих струи, показанное на рис. 3: а - сечение 1-1; б - сечение 2-2

Рис.8. Формирование газожидкостных потоков на начальной стадии ввода газовых струй: а – вертикальная газовая струя; б – подача газовой струи под углом 450. Длительность одного кадра – 0,04 сек.
Библиографический список:
1. Ефимов В.А., Эльдарханов А.С. Современные технологии разливки и кристаллизации сплавов. – М.: Машиностроение, 1998. – 360 с.
2. Смирнов А.Н., Пилюшенко В.Л., Минаев А.А. и др. Процессы непрерывной разливки стали.- Донецк: Дом НТУ, 2002. – 536 с.
3. Дюдкин Д.А., Киселенко В.В. Современная технология производства стали. – М.:Теплотехника, 2007. – 522 с.
4. Воинов С.Г., Шалимов А.Г., Косой Л.Ф., Калинников Е.С. Рафини-рование стали синтетическими шлаками. – М.:Металлургия, 1964. – 454 с.
5. Дейч М.Е. Техническая газодинаика. – М.: Госэнергоиздат, 1974. – 671 с.
6. Кутателадзе С.С., Стырикович М.А. Гидродинамика газо-жидкостных систем. – М.: Энергия, 1976. – 296 с.
7. Кутателадзе С.С., Накоряков В.Е. Теплообмен и волны в газо-жидкостных системах. – Новосибирск: Наука, 1984. – 320 с.
8. Пат. 43122 Украины, МПК (2009) В22D 11/10. Огнеупорный блок для ввода газов в расплавленный металл. / Кислица В.В., Диюк Е.Ф. и др. Опубл. 10.08.2009. Бюл. № 15.
© Гончар Б.С., Диюк Е.Ф., Исаев О.Б., Кислица В.В., Белоусов В.В., Комаров В.Ф., 2010