ПОВЫШЕНИЕ ЭФФЕКТИВНОСТИ ТЕПЛООБМЕНА В ЦИЛИНДРИЧЕСКИХ ПЕЧАХ ДЛЯ ВЫПЛАВКИ СИНТЕТИЧЕСКИХ ШЛАКОВ
Симоненко Л.Г. (ПТТ-10м), Донецкий национальный технический университет
Руководитель – к.т.н., профессор Туяхов А.И.
Организация и информационное освещение: ФМФ ДонНТУ, УкАС, ST
Большинство печей с тепловой мощностью менее 3 МВт для нагрева различных материалов или выплавки цветных металлов и синтетических шлаков, применяемых в металлургической промышленности, отапливаются природным газом.
Из практики сжигания чистого природного газа известно, что факел и продукты сгорания обладают низкими радиационными характеристиками. Данные исследований, проведенных на мартеновских печах [1], показывают, что несветящийся факел на всём протяжении рабочего пространства печи имеет более высокую температуру, чем длинный светящийся. Это является следствием меньшей теплоотдачи к ванне (при прочих равных условиях) из-за меньшей светимости факела. Большая температура газов указывает на большие потери теплоты с уходящими продуктами сгорания. Ухудшение теплоотдачи от факела к теплообрабатываемым материалам снижает эффективность тепломассообменных процессов, что приводит к увеличению удельного расхода топлива.
Использование мазута для повышения светимости факела нерационально из-за необходимости иметь мазутное хозяйство, что наряду с высокой стоимостью жидкого топлива приведёт к увеличению общих затрат на эксплуатацию печей такого типа.
Одним из путей повышения светимости факела является отопление печей реформированным природным газом. С этой целью часть природного газа из общего количества, идущего на технологический процесс, направляется на специальную установку – реформатор, устанавливаемый в газоотводящем тракте печи. При высокой температуре (1100 – 1300 oС) метан интенсивно разлагается на сажистый углерод и водород, а образующаяся смесь подаётся в газовую горелку печи. Присутствие в газообразном топливе большого количества сажистых частиц с преимущественными размерами от 0,2 до 0,5 мкм резко увеличивает светимость факела и приводит к возрастанию передачи тепла излучением.
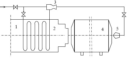
Наиболее рациональной конструкцией для печей такого типа с точки зрения монтажных работ является реформатор змеевикового типа, повешенный вертикально к своду дымового тракта (рис.1).

Рисунок 1 - Схема подачи природного газа к реформатору и к шлакоплавильной печи: 1 - дымоотводящий тракт; 2 - реформатор; 3 - инжектор; 4 - шлакоплавильная печь; 5 - горелка
Природный газ из общего газопровода распределяется на два потока: меньшая часть (~10% по вышеприведенному расчёту) направляется в стальные трубки реформатора, выполненные из жаропрочной стали, а основная часть газа подаётся на инжектор, с помощью которого компенсируется падение давления при движении газа через систему трубок реформатора.
Выбор диаметра трубок реформатора определяется на основе анализа влияния двух параметров на работу установки – аэродинамического и теплового. С увеличением диаметра трубки уменьшается аэродинамическое сопротивление, однако при этом уменьшается интенсивность конвективного теплообмена, что ухудшает процесс реформации. Расчёты, проведенные по двум характеристическим параметрам, показали, что оптимальный диаметр находится в пределах 0,03 – 0,04м. Для конструктивного выполнения реформатора был выбран нижний предел диаметра трубки, что способствует эффективному удалению сажистых частиц из реформатора за счёт более высокой скорости (~40м/с) движения двухфазной (твёрдой и газовой) среды внутри трубок реформатора.
Общая длина трубок реформатора, рассчитанная по формуле на основе найденных значений объёма газа в реформаторе и диаметра трубок, составила 12,4м. При располагаемой высоте свода 1,3м и с учётом плавных закруглений между прямыми участками получим 7 параллельно расположенных труб, расстояние между которыми должно составлять не менее двух диаметров труб для лучшего теплообмена с продуктами сгорания.
Использование в качестве топлива частично реформированного природного газа для шлакоплавильной печи производительностью 4 т/ч готовой продукции, позволяет уменьшить расход топлива на 30 – 40% и сократить время тепловой обработки материалов. Технико-экономические расчёты показывают, что окупаемость установленного в дымовом тракте печи реформатора составляет менее одного года.