СНИЖЕНИЕ НИЗКОТЕМПЕРАТУРНОЙ КОРРОЗИИ КОТЛА БКЗ-75-39 на АКХЗ
Остапенко М.Н., Голдынский Г.А. (ТЭС-07), Донецкий национальный технический университет
Руководитель – доцент кафедры ФМФ Илющенко В.И.
На Авдеевском коксохимическом заводе существует проблема низкотемпературной (сернистой) коррозии. Это связано со сжиганием в качестве основного топлива коксового газа. При низкой температуре дымовых газов происходит конденсация содержащегося в них пара на трубах хвостовых поверхностей нагрева котла. В образующихся капельках воды (росе) растворяются имеющиеся в газах окислы серы, в результате чего получаются слабые растворы кислот, интенсивно разъедающие металл.
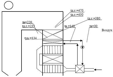
Решение этой проблемы возможно, если подогревать воздух, поступающий в воздухоподогреватель. Для осуществления этого, нужно установить дополнительный экономайзер, перед второй ступенью основного экономайзера, и дополнительный теплообменник. Вода, циркулирующая между ними, будет забирать (нагреваться) определённое количество тепла у дымовых газов и отдавать (нагревать) его воздуху, который поступает в первую ступень воздухоподогревателя. Циркуляцию воды будет обеспечивать тепловой насос. Осуществив эту схему, мы добьемся уменьшения разности температур воздуха и дымовых газов. Этим мы уменьшим количество образующегося конденсата и соответственно уменьшим шанс возникновения низкотемпературной коррозии.

Рисунок – схема котла БКЗ-75-39 с дополнительным теплообменником
Установка дополнительного экономайзера и теплообменника не повлечет изменение температуры дымовых газов на выходе из котла и не повлияет на работу поверхностей нагрева, что подтверждают расчёты.