СОКРАЩЕНИЕ ВЫБРОСОВ ДИОКСИНОВ И ФУРАНОВ ПУТЕМ КОМБИНИРОВАННОГО ПОДОГРЕВА ЛОМА
Товщик Н.О.(ЕКМ-10 м), Донецкий национальний технический университет
М. Г. Толкачёва (ЭКМ-10м)
В нашем регионе предприятия чёрной металлургии являются одними из основных источников загрязнения атмосферы вредными веществами. Самыми токсичными соединениями, попадающими в окружающую среду за счет антропогенных источников, к которым относятся черная металлургия, являются диоксины.
Электросталеплавильные цеха, являются интенсивными источниками выделения диоксинов. Они образуются в результате неполного сгорания органических веществ (при температуре 200-800 oС, наиболее интенсивно при 300-600 oС), в условиях недостатка кислорода и в присутствии атомов хлора и брома. Их образование происходит при подогреве металлолома, в котором присутствуют различные краски, пластмассы, изолированные кабели и т. д.
Первичным мероприятием по предупреждению образования диоксинов/фуранов является создание условий оптимального сжигания углеводородов и их соединений. Для этого должна быть обеспечена температура не ниже 850 oС во всех зонах подогрева металлолома, достаточная продолжительность протекания реакций и оптимальное соотношение кислорода с продуктами горения.
Технология дожигания диоксинов/фуранов в отходящих газах не решает проблему их образования, так как при охлаждении газов имеет место процесс вторичного образования этих вредных веществ, так называемый «Новосинтез». Поэтому актуальными являются новые мероприятия по устранению их образования.
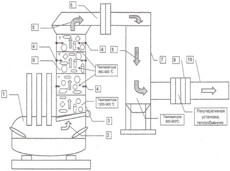
Таким мероприятием может быть предварительный подогрев металлолома в шахтной электропечи, который включает следующее:
- комбинированный подогрев металлолома по высоте шахтной печи: в нижней части шахтного подогревателя – теплом отходящих газов; в средней и верхних частях, где температура падает ниже 800 oС, подогрев следует вести путем ввода дополнительного тепла от внешнего источника энергии.
- ввод дополнительного тепла в шахтный подогреватель должен осуществляться системой газо-кислородных горелок, для уменьшения объема отходящих газов следует избегать применение газо-воздушных систем горелок.
- для полного сгорания органических и неорганических примесей, содержащихся в металлоломе, система горелок шахтного подогревателя в начале подогрева должна работать на полной мощности при небольшом избытке кислорода, во всех зонах шахтного подогревателя температура отходящих газов должна быть 850-900 oС.
- отходящие газы благодаря высокой температуре не требуют дополнительной термической обработке в камере дожигания, они подводятся в камеру реакции и осаждения крупной фракции пыли, где происходит окончательное догорание летучих углеводородов и диоксинов/фуранов. В нижней части камеры необходимо установить циклон для сбора крупных фракций пыли и частиц металла.

Рисунок – Комбинированный процесс предварительного подогрева лома на основе шахтного подогревателя: 1 - ДСП; 2 – отходящие газы ДСП; 3 – шахтный нагреватель; 4 – система горелок; 5 – отходящие газы шахтного нагревателя; 6 – переходная часть; 7 – камера реакции и осаждения пыли; 8 – рекуперативная установка, теплообменник; 9 – столб подогреваемого металлолома; 10 – газоотводящий тракт
Таким образом, комбинированный процесс подогрева металлолома способствует полному сгоранию органических примесей и предотвращает образование диоксинов и фуранов в концентрациях, превышающих допустимые нормы, позволяет сократить расход электроэнергии и продолжительность плавки, уменьшить выделение вредных веществ в окружающую среду.