Литейно-прокатные модули
В последние годы получают распространение литейно-прокатные модули (ЛПМ), которые представляют собой комбинацию МНЛЗ, нагревательного устройства и нескольких прокатных клетей. В качестве примера на рисунке 20.7 показана схема ЛПМ фирмы SMS на заводе «Ньюкор» (г. Крофордсвилл, США).

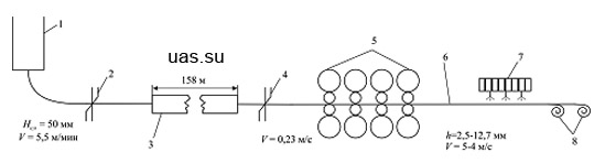
Рисунок 20.7 – Схема расположения оборудования ЛПМ фирмы SMS на заводе фирмы «Ньюкор»: 1 – МНЛЗ; 2 – ножницы; 3 – проходная роликовая печь; 4 – ножницы аварийного реза; 5 – непрерывная группа клетей; 6 – отводящий рольганг; 7 – установка ускоренного охлаждения металла; 8 – моталки
Анализ теплового баланса процесса, в ходе которого тепло жидкой стали было принято за 100%, показал следующее. Потери тепла, связанные с охлаждением металла при его затвердевании, составляют 35,6%, при контакте с роликами вытягивающего устройства и излучение на участке МНЛЗ-проходная печь – 10,3%. Оставшиеся 54,1% тепла жидкой стали обеспечивают температуру сляба на входе в проходную печь 1080oС. Температура сляба на выходе из печи должна составлять 1100oС. Отсюда следует вывод, что необходимая для процесса прокатки температура практически полностью обеспечивается теплом отлитой заготовки.
Необходимость использования в ЛПМ нагревательных средств обусловлена тем, что тепловое состояние заготовки, формирующейся естественным путем (без внешнего теплового воздействия), не пригодно для прокатки из-за недостаточного общего теплосодержания и высокой неоднородности (температурный градиент в продольном и поперечном сечении и на углах заготовки).
Нагревательные средства в ЛПМ выполняют следующие функции:
- увеличение теплосодержания металла до уровня, требуемого для прокатки;
- выравнивание температурного поля по сечению заготовки;
- предотвращение потерь тепла металлом при его движении и задержках;
- создание буферного участка для согласования во времени работы МНЛЗ и прокатного стана, в том числе и в случае нарушения технологического процесса на участке прокатный стан-моталки.