Ручная и машинная формовка
Ручная формовка является старейшим способом производства отливок. Она широко применяется в условиях мелкосерийного или индивидуального производства, при создании уникальных отливок. Использование для форм современных материалов позволяет получать высококачественные отливки практически любой степени сложности. Необходимо учитывать, что создание модели и подготовка к ручной формовке – дорогостоящая операция. В стоимости отливки при ручной формовке заметную часть составляет стоимость модели. Для сокращения расходов, улучшения качества подготовки модели в настоящее время широко применяют специализированные системы автоматизированного проектирования.
Под модельным комплектом понимают набор приспособлений, предназначенных для изготовления рабочих полостей в литейной форме и стержней. Он обычно включает литейную модель, стержневые ящики, модели элементов литниково-питающей системы, формовочные и стержневые шаблоны, а также подмодельные или модельные плиты. Материал для модельного комплекта выбирают в зависимости от типа производства и серийности заказа на изготовление отливок.
Литейная модель (рис.3.2) служит для образования в литейной форме отпечатка, соответствующего конфигурации и размерам отливки. В большинстве моделей предусматриваются дополнительные (по отношению к конфигурации отливки) части, называемые знаками, которые образуют в литейной форме базы (гнезда) для установки стержней. Стержень – это элемент литейной формы для образования отверстия, полости или иного сложного контура в отливке.

Рисунок 3.2 – Типы литейных моделей: а – неразъемные; б – разъемные; в – с отъемными частями; 1 – шипы; 2 – знаки; 3 – отъемные части; 4 – гвозди.
По конструкции, которая обуславливается удобством формовки, литейные модели подразделяют на неразъемные и разъемные. При этом разъемные модели широко используются при производстве отливок более сложной и разнообразной конфигурации, когда рабочая полость формуется в двух опоках. В единичном и мелкосерийном производстве, когда оформлять выступающие элементы отливок стержнями экономически нецелесообразно, в моделях могут быть предусмотрены отъемные части (рис.3.2, б, в), которые остаются на рабочей поверхности формы после извлечения из нее модели, а затем также извлекаются. Разъемные модели широко применяют при производстве отливок сложной конфигурации. Точное соединение разъемных моделей осуществляется с помощью деревянных шипов или металлических дюбелей. Удобство извлечения модели из полуформы при ручной формовке достигается с помощью металлических приспособлений, закрепляемых на модели, которые называются подъемами.
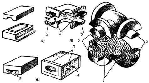
Стержневые ящики (рис.3.3) служат для изготовления стержней ручной и машинной формовкой на встряхивающих, пескодувных и пескострельных машинах. По конструктивным особенностям их подразделяют на три типа: цельные, разъемные и вытряхные. Цельные применяют для изготовления стержней простой конфигурации с большими уклонами на боковых стенках, что обеспечивает их легкое извлечение из ящика. Разъемные ящики наиболее распространены, так как их применяют для изготовления стержней самой разнообразной конфигурации и размеров. Вытряхные деревянные ящики имеют корпус коробчатого типа, в который вставляют четыре специальных вкладыша, оформляющих рабочую поверхность получаемых стержней. При этом тыловые стенки вкладышей исполняются с большими уклонами, что обеспечивает легкость их извлечения из корпуса при его подъеме.

Рисунок 3.3 – Стержневые ящики а – цельный; б – разъемный деревянный; в – разъемный металлический; 1 – шипы; 2 – стержни; 3 – скоба; 4 – гайка; 5 – стальная накладка.
Большинство деталей, получаемых методом литья, имеют внутренние полости или отверстия, для получения которых в литейную форму вставляют специальные элементы, называемые стержнями. Использование стержней значительно расширяет возможности приближения геометрической формы отливки к конструкции детали, что, соответственно, снижает ее себестоимость за счет повышения выхода годного. С другой стороны, стержни могут значительно усложнить изготовление и особенно сборку литейной формы. Следовательно, для упрощения сборки литейных форм и повышения точности отливки желательно, чтобы количество стержней, вставляемых в одну форму, было возможно меньшим: один-два. Чем проще очертания стержня, тем проще и легче его изготовить. Поэтому сложные по очертаниям стержни расчленяют на несколько простых, которые затем склеивают между собой.
Технологические сложности представляет вопрос об укреплении стержней в форме. Следует помнить, что стержни, изготовленные из песчано-глинистой смеси, имеют в несколько раз меньший удельный вес, чем расплавленный металл. Поэтому плохо укрепленный стержень может всплыть и испортить, таким образом, конфигурацию отливки. Кроме того, плохо укрепленный стержень может быть также сдвинут с места или перекошен при установке, при сборке или заливке. Необходимо стремиться к тому, чтобы стержень опирался на форму не одним концом (знаком), а, по крайней мере, двумя. Достаточно часто этого удается добиться, например, простым изменением конструкции отливки. Иногда для укрепления стержня в форме приходится применять специальные фиксирующие приспособления (жеребейки), которые изготавливают из тонколистовой стали (при стальном или чугунном литье) в виде подставок. После заполнения формы металлом жеребейки расплавляются и сплавляются с залитым металлом.
Определение полостей и конструктивных элементов, которые будут выполняться с помощью литейных стержней, рекомендуется осуществлять после назначения припусков и напусков. Литейные стержни для выполнения отверстий обычно назначают в том случае, когда диаметр отверстия составляет не менее 20-25 мм. Литейные стержни также не рекомендуют использовать тогда, когда длина отверстия примерно равна или меньше его диаметра.
Режим заполнения литейных форм расплавом надлежит регулировать таким образом, чтобы происходило заполнение рабочей полости формы, и в нее не проникали пена, шлаки и другие неметаллические включения, вызывающие загрязнение отливок. Регулируя режим заполнения, необходимо иметь в виду, что от него зависит образование многих дефектов, связанных с тепловыми условиями затвердевания отливки и взаимодействием расплава с материалом формы (усадочные раковины, пористость, трещины, коробление, ужимины и пр.).
Режим заполнения форм расплавом регулируют посредством назначения конструкции литниковой системы и места подвода металла в форму. Размеры основных элементов литниковой системы обычно рассчитывают в соответствии с заданной скоростью движения потока расплава, выбираемой из условий достижения максимального качества отливки по вышеперечисленным дефектам.
При изготовлении фасонных отливок используют литниковые системы следующих основных типов: верхнюю, нижнюю, боковую и комбинированную. Верхняя литниковая система наиболее проста в изготовлении и обеспечивает хорошую заполняемость при кратчайшем пути металла до полости формы, создает наиболее благоприятные условия для направленного затвердевания отливки снизу и пр. Основной недостаток – каскадный сброс расплава в форму, приводящий к интенсивному захвату воздуха, окислению и перемешиванию металла с образовавшейся пеной. При этом в такой литниковой системе ухудшаются условия задержания шлака и повышается вероятность размыва формы и стержней падающей струей. Поэтому верхние литниковые системы рекомендуется назначать для отливок небольшой высоты (до 100 мм).
Нижняя литниковая система в наибольшей степени обеспечивает спокойное заполнение формы, исключающее вспенивание, разбрызгивание и окисление расплава, хорошо задерживает неметаллические включения и способствует удовлетворительной заполняемости и последовательному вытеснению воздуха и газа из формы. Вместе с тем, нижняя литниковая система плохо обеспечивает заполняемость высоких тонкостенных отливок с развитой поверхностью. Поэтому при отношении высоты отливки к толщине стенки (средней) более 50 для обеспечения заполняемости рекомендуют применять комбинированную систему.
Боковая литниковая система обеспечивает заполнение нижней части отливки сверху, а верхней части отливки – снизу. Ее широкое применение обусловлено удобствами выполнения в форме.
Прибыль – это часть литниково-питающей системы, предна-значенной для устранения в отливке усадочной раковины и пористости. Принято считать, что для обеспечения нормального процесса затвердевания отливки целесообразно обеспечивать условие, при котором каждая лежащая выше часть отливки служит как бы прибылью по отношению к нижележащей. Эффективность работы прибыли обеспечивается при соблюдении следующих условий: прибыль должна затвердевать после отливки или питаемого термического узла; запас жидкого металла в прибыли должен быть достаточным для питания отливки во время ее затвердевания; форма прибыли и ее расположение должны обеспечивать свободный доступ жидкого металла к отливке и питаемому узлу; размеры и масса прибыли должны быть минимальными. Наиболее распространенными являются открытые прибыли, которые значительно упрощают технологический процесс изготовления литейной формы. Число прибылей, необходимых для заданной отливки, определяется, главным образом, количеством тепловых центров (массивных частей), которые могут сформироваться при затвердевании фасонной отливки.
Прибыли в отливке обычно назначают в тех случаях, когда существует высокая вероятность, что усадочные дефекты (раковины или пористость) будут локально располагаться в теле отливки. Прибыли не назначают для отливок из сплавов, которые имеют низкий коэффициент объемной усадки (менее 1,1-1,2%), например, из серого чугуна или силумина. Кроме того, прибыли могут отсутствовать в мелких фасонных отливках, масса литниковой системы которых составляет не менее 10-15% от массы заливаемого металла. В этом случае усадка металла компенсируется за счет металла литникового стояка и выпоров.
Модели литниковых систем (рис.3.4) включают в себя все необходимые для подвода металла элементы: питатели, шлакоуловители, стояки, выпоры, литниковую чашу, а также специальные элементы питания отливок (прибыли, питающие бобышки и т.п.).
Формовочные литейные шаблоны используют при безмодельном изготовлении форм для получения крупных единичных отливок, имеющих форму тел вращения. Их выполняют в виде плоских скребков с прямолинейной или фасонной режущей кромкой.
Подмодельные (подопочные) плиты служат для образования в форме плоскости разъема. При ручной формовке применяют деревянные подмодельные плиты. При машинной формовке используются металлические плиты, на которых жестко закреплены элементы модели и литниковой системы. Эти плиты называются модельными.
Контрольные сборочные шаблоны используют для контроля взаимного расположения стержней, а также конфигурации внутренней полости литейной формы. Обычно используются для качественных отливок сложной геометрической формы.

Рисунок 3.4 – Модели литниковых систем с подводом металла в среднюю часть отливки (а) и с верхней литниковой системой и боковым выпором (б): 1 – литниковая чаша; 2 – стояк; 3 – металлоприемник; 4 – лит-никовый ход (коллектор); 5 – питатели; 6 – выпоры.
Совокупность технологических операций по изготовлению литейных форм и стержней, способных выдержать воздействие расплавленного металла и сообщить ему свои очертания, называется формовкой. Основными операциями ручной формовки являются наполнение опоки формовочной смесью, уплотнение ее, извлечение модели и сборка формы. Формовка в опоках отличается большим разнообразием приемов, позволяющих обеспечить минимальные затраты труда и расходы при заданной серийности отливок. Формовку рабочей полости литейной формы выполняют с помощью модельного комплекта.
Неразъемные модели просты и дешевы в изготовлении и поэтому достаточно широко используются на практике. При использовании неразъемных моделей обеспечивается более высокая производительность, улучшаются условия труда, повышается размерная точность форм и т.п. Процесс изготовления литейной формы при этом объединяет определенную совокупность операций, которая рассмотрена ниже.
- Для формовки нижней полуформы модель отливки 1 и опоку 3 устанавливают на подмодельную (подопочную) плиту 2 (рис.3.5, а) так, чтобы расстояние между стенкой опоки и моделью было не менее 25-30 мм.
- Модель припыливают ликоподием или серебристым графитом, чтобы предотвратить прилипание к ней формовочной смеси.
- Модель покрывают слоем просеиваемой через сито облицовочной смеси толщиной 15-20 мм для мелких отливок и 30-40 мм для крупных отливок (рис.3.5, б).
- Оставшийся объем опоки заполняют наполнительной смесью в несколько приемов слоями толщиной 50-70 мм (рис.3.5, в).
- Уплотнение засыпанной формовочной смеси ручной набойкой 4 (рис.3.5, г), а верхний слой - башмаком трамбовки 5 (рис.3.5, д).
- Излишек смеси очищают линейкой 6 вровень с кромками опок, образуя поверхность, называемую контрландом, и накалывают на ней вентиляционные каналы, не доходящие до поверхности модели на 10-15 мм (рис.3.5, е).
- Готовую нижнюю полуформу вместе с заформованной в ней моделью поворачивают на 180 градусов (рис.3.5, ж).
- На нижнюю полуформу по центрирующим штырям 8 устанавливают верхнюю опоку 9 (рис.3.5, з).
- Плоскость разъема присыпают мелким разъединительным песком с целью предотвращения слипания формовочной смеси нижней и верхней полуформ.
- В верхней опоке устанавливают модели элементов литниковой системы (коллектора 10, стояка 11 и выпора 11).
- В верхнюю опоку засыпают слой просеянной облицовочной смеси с таким расчетом, чтобы он закрыл поверхность модели (рис.3.5, и).
- Весь объем верхней опоки заполняют наполнительной формовочной смесью.
- Уплотнение засыпанной формовочной смеси ручной набойкой 4, а верхний слой - башмаком трамбовки 5.
- Излишек смеси очищают линейкой 6 вровень с кромками опок и накалывают на ней вентиляционные каналы, не доходящие до поверхности модели на 10-15 мм.
- Прорезают литниковую чашу и извлекают модель стояка и выпора.
- Готовую верхнюю полуформу 13 снимают (рис.3.5, к), поворачивают плоскостью разъема вверх и осматривают.
- Специальным подъемником 14 извлекают модель из нижней полуформы, предварительно слегка расталкивая ее для облегчения процесса извлечения (рис.3.5, л).
- Специальным инструментом прорезают каналы питателей литниковой системы, соединяющей стояк и полость литейной формы.
- Производят контрольный осмотр поверхности формы 15 и плоскости разъема, исправление поврежденных мест специальным инструментом (гладилками, ланцетами и т.п.) и очистку полости формы от остатков смеси (рис.3.5, м).
- Производят сборку полуформ по центрирующим штырям и устанавливают груз 16 (рис.3.5, н).

Рисунок 3.5 - Технологический процесс формовки по неразъемной модели
Полученная в результате выполнения технологических операций отливка с литниковой системой показана на рис.3.5, о.
Формовка по разъемной модели является наиболее распространенной для изготовления различных по конфигурации отливок. Наиболее часто применяют модели с горизонтальной плоскостью разъема формы. Последовательность выполнения основных технологических операций формовки в этом случае достаточно близка к формовке по неразъемной модели, рассмотренной в предыдущем разделе. Исключение составляют дополнительные операции, связанные с установкой и извлечением верхней полумодели, а также установкой стержня в форму (при его наличии).
Схема процесса и последовательность выполнения основных технологических операций формовки в двух опоках по разъемной модели показаны на рис.3.6.

Рисунок 3.6 – Технологический процесс формовки по разъемной модели: а, б – нижняя и верхняя полуформы; в – собранная под заливку форма; г - отливка с литниковой системой; 1 и 2 – верхняя и нижняя опоки; 3 – вентилляционные каналы; 4 – литниковая чаша; 5 – стержень; 6 – стояк; 7 – груз; 8 – штыри.
Машинная формовка является в настоящее время основным способом изготовления литейных форм. При машинной формовке механизируются наиболее трудоемкие операции уплотнения формовочной смеси и извлечения модели из формы, а также ряд вспомогательных операций. В результате этого резко повышается производительность труда по сравнению с ручной формовкой, возрастает точность отливок по размерам и массе, облегчается труд, и улучшаются санитарно-гигиенические условия работы, сокращается производственный цикл изготовления отливки.
Процесс изготовления форм в парных опоках может быть практически полностью механизирован за счет механического дозирования подачи формовочной смеси, уплотнения с использованием специальных машин, и т.п. Наиболее распространенным методом машинной формовки является уплотнение прессованием. Этот метод заключается в придании смеси определенной плотности посредством приложения регламентированного усилия, передаваемого через прессовую колодку. На практике используют как верхнее, так и нижнее прессование (рис. 3.7). Выбор метода прессования определяется в зависимости от целого ряда технологических факторов. В ряде случаев прессование осуществляют одновременно с вибрационным воздействием. В результате этого смесь уплотняется равномернее, а процесс прессования происходит более эффективно и качественно.
Кроме метода прессования в литейном производстве используются пескометные, пескодувные и пескострельные агрегаты, а также импульсные и вакуумные технологии уплотнения. Характерной особенностью такого рода технологических агрегатов является высокая степень их автоматизации, универсальность, маневренность, а также высокая производительность.
При нарушении технологической дисциплины в отливке возможно образование дефектов. В ГОСТ 19200-92 дефекты разделяют на следующие группы:
- дефекты по несоответствию размеров (недолив, разностенность, перекос, коробление);
- несплошность металла отливки (горячие трещины, холодные трещины, газовая пористость, усадочная раковина, усадочная пористость и др.);
- несоответствие металла отливок требованиям (состав, ликвация, отбел);
- наличие включений (металлических, неметаллических и др.).

Рисунок 3.7 – Методы верхнего (а) и нижнего (б) прессования при машинной формовке: 1 – неподвижная траверса; 2 – подмодельная плита; 3 – модель; 4 – опока; 5 – наполнительная рамка; 6 – прессовая колодка; 7 – прессовый стол.
Дефекты в общем случае делят на две групы - неисправимые и исправимые. Отливка с неисправимыми (обычно крупными) дефектами идет на переплавку. Исправимые (обычно мелкие) дефекты устраняют.
Наиболее распространенными дефектами являются раковины и трещины. Газовые раковины – пузыри воздуха или газов, которые остались в теле отливки после ее затвердевания в форме. Газовые раковины образуются из-за недостаточной газопроницаемости и повышенной влажности формовочных смесей, плотной набивки смеси в форме, низкой температуры заливаемого металла, неправильной конструкции литниковой системы. Песчаные раковины образуются из-за разрушения или обвала отдельных частей формы при заливке металла.
Усадочные раковины – открытые или закрытые полости в теле отливки, имеющие неровную внутреннюю поверхность. Они могут образовываться при неправильном подводе металла расплава в полость формы или слишком высокой температуре расплава.
Усадочные трещины – разрывы тела отливки в местах небольшой толщины и значительной длины, в местах значительного перепада толщин. Холодные трещины образуются вследствие внутренних напряжений, возникающих из-за различий в скорости охлаждения тонких и толстых мест отливки.
Горячие трещины образуются в процессе формирования отливки при высокой температуре металла и потому имеют темную окисленную поверхность. Причины – плохое раскисление расплава, низкая податливость стержней, а также ранняя выбивка отливок из формы (см. табл. 3.1).
Таблица 3.1 – Режимы охлаждения чугунных отливок в форме
